s.7350L 3 方向 4面シート
T-ポートフルボア
鍛造真鍮性ボールバルブ
フルボア
鍛造真鍮性ボールバルブ
1/2B〜1B(15A〜25A)
マルチポートバルブであるs.7350シリーズは、省コスト化、および省スペース化を図ります。本製品は、4面シートの採用により全て のポートにボールシートを採用しているため、適用範囲が大きく拡大。どのポートも、遮断可能。ボールポート構成の特定化、 お よび独自のTポート設計によって、流れ方向を自由に選ぶことができます。従来は必要だった複数の流体搬送ラインの合理化・簡素化を実現し、設備全体のコスト削減にも、大きく貢献する万能バルブです。
特徴
- • 100%シールテストを保証
- 金属間可動部なし
- メンテナンスフリー
- シリコンフリー潤滑剤使用
- クロームメッキされた真鍮ボールの高い耐久性
- どのボール方向でも、好パフォーマンスを発揮
- 剛健な作り
- 熱鍛造サンドブラスト処理を施した、外部ニッケルメッキボディ及びエンドキャップ
- ISO 5211、および DIN 3337 に準ずるマウントフランジを採用し、アクチュエータ接続向けのユニバーサルジョイントに対応
- EN12165及びEN12164に準拠する高品質の真鍮材を使用
- 3-方向 T ポート 設計で、複数流路に対応
- 飛び出し防止設計ステムで安全確保
- 二枚のFPM製Oリングがステムの安全性を確保
- フレキシブルリップ設計の純PTFEシート
- 4ヵ所設計で、さまざまな流体に対応
- ISO 7/1、BS21 BSPT テーパーネジ仕様(JIS B 0203 相当)
- フルボア最大流量を確保
- Geomet® カーボンスティール製レバーを採用。 PVCディップコーティングのカバーを採用し耐熱・耐電
- バルブ稼働中取り外し可能なハンドル
注意
仕様範囲外の温度や電気負荷を超えないようにしてください
豊富なオプション
- ラック及びピニオン式 ニューマチックアクチュエータ
(スプリングリターン式またはダブルアクティング式) - ハンドルなし (s.7350)
- スクリュー付きアダプターフランジキット
- ANSI B.1.20.1 NPTメネジ構造
- EN 10226-1、ISO 228 平行メス x メスネジ
- カスタム設計
- ステンレス製ステム
- 2 シート L-ポート(s.7650L)
オプション品をラスコにて組み立て後の発送も可能です。詳しくはお問い合わせ下さい。
耐圧・耐熱仕様
耐圧 : 2MPa (300 PSI) [常温・通常圧]
温度 : -20℃ ~ +150℃
注意
流体の凍結はバルブ本体の損傷に繋がる恐れがあります。
安全認証各種
RoHS 準拠品
注意: 認証は特定の設計・サイズに適応されます。

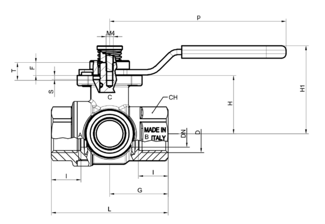
寸法

| コード | S73D50L | S73E50L | S73F50L |
| D (inch) | 1/2” | 3/4” | 1” |
| DN (mm) | 15 | 20 | 25 |
| I (mm) | 16.5 | 19 | 22.5 |
| L (mm) | 65 | 79 | 92.5 |
| G (mm) | 32.5 | 39.5 | 46.5 |
| H (mm) | 32.5 | 393.5 | 42.5 |
| N (mm) | 34.5 | 42 | 49.5 |
| ØA (mm) | 36 | 36 | 36 |
| Ø C (mm) | Ø 5.2 (M6) | Ø 5.2 (M6) | Ø 5.2 (M6) |
| p (mm) | 100 | 100 | 100 |
| H1 (mm) | 49 | 56 | 59 |
| S (mm) | 2.2 | 2.2 | 2.2 |
| T (mm) | 10 | 10 | 10 |
| F (mm) | 7.3 | 8.3 | 8.3 |
| CH (mm) | 27 | 32 | 41 |
アクチュエータのサイジングNmのトルク
| ΔP –> | 0 ÷ 16 bar | |
| バルブサイズ (inch) | 閉 → 開 | 開 → 閉 |
| 1/2” | 10.5 | 10.5 |
| 3/4” | 13 | 13 |
| 1” | 29.5 | 29.5 |
トルク補正係数
バルブのトルクは、周波数、温度、および摩擦特性により異なります。
摩擦が水に対して、多い場合、少ない場合には下記の係数が適応されます。
| 潤滑オイル、または他の液体 | 0.8 |
| LPG、 NPG | 1.5 |
| 研磨剤を含む液体など粒子 | 1.5÷2.5 |
価格表(2024年8月現在)
| コード | S73D50L | S84C53 | S73E50L |
| 呼び径 (B) |
1/2 inch | 3/4 inch | 1 inch |
| 呼び径 (A) |
8A | 8A | 15A |
| カートン 販売価格 |
¥157,025 (32個入) |
¥99,122 (16個入) |
¥91,076 (12個入) |
| 小箱販売 価格 |
¥23,867 (4個入) |
¥29,939 (4個入) |
¥27,514 (3個入) |
| バラ売り 価格 |
¥6,218 | ¥7,801 | ¥9,557 |
※別途消費税・送料(北海道・離島等:1,800円、その他エリア:1,500円)がかかります。
上台3万円以上のご購入の際には送料無料です。
最低購入個数は1個から承ります。ケース単位での大口注文も承っております。(割引適用致します。)
大口注文・定期継続購入希望などご相談承ります。
まずはお見積りなどご相談ください。

